工程案例
GONGCHENGANLI
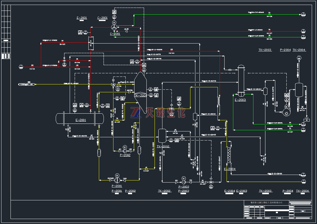
業主在廢水處理上,需要配置一套蒸發濃縮系統。采用普通的多效或者TVR形式的蒸發器,長期運行的經濟可行性不如MVR蒸發器。經過詳細的技術溝通,并針對廢水情況進行摸排,設計了這套蒸發器。
這套蒸發器一開機即可正常運行,有意思的是,業主上下游的調試并未給力,等了近3個月才上下貫通。
MVR蒸發器的心臟:
關于天臻
公司簡介
企業文化
專利證書
工藝技術&產品
發酵領域全套技術
蒸發技術
其它工藝工程技術
合作模式
合作伙伴
技術資料
聯系我們
聯系方式
地址:肇慶市端州區信安路83區敏捷廣場四期H棟商業辦公樓9層3-901室
周工:189 2988 7897
龐工:166 2696 8563(微信同號)
郵箱:tizoo@tizoo18.com
所有內容均由肇慶市天臻生物化工技術有限公司版權所有,未經許可不得轉載 備案號: 粵ICP備18131786號-1